+86 19057031687
  • Garfo de mudança S-1111 para TMT
  • Garfo de mudança S-1111 para TMT
  • Garfo de mudança S-1111 para TMT
  • Garfo de mudança S-1111 para TMT
Garfo de mudança

Garfo de mudança S-1111 para TMT

Todos os garfos de mudança de nossa empresa passaram no teste de aplicação prática em fábricas de fibras químicas, e a qualidade do produto supera o padrão técnico da máquina original.

  • Garfo de mudança S-1111 para TMT
  • Garfo de mudança S-1111 para TMT
  • Garfo de mudança S-1111 para TMT
  • Garfo de mudança S-1111 para TMT

Descrição do produto

Nome Garfo de mudança (já colado)
Modelo S-1111 (núcleo redondo)
Número do pedido
Materiais Liga de alumínio
Aplicação
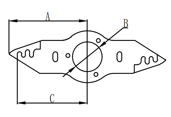
Dimensão mm A: 149 mm, B: 28 mm
Peso 19g

Sobre nós

Jiaxing Shengbang Mechanical Equipment Co., Ltd.

Jiaxing Shengbang Mechanical Equipment Co., Ltd. possui ampla vantagem tecnológica, especializando-se no desenvolvimento, produção, venda e manutenção de peças-chave e máquinas de fiação, além de pesquisa e desenvolvimento de novos materiais e tecidos. Nós somos a China Atacado Garfo de mudança S-1111 para TMT Fornecedores e Garfo de mudança S-1111 para TMT Empresa. A Shanghai Panguhai Technology Engineering Co., Ltd. é a sede de vendas e P&D da nossa empresa, enquanto a Haian Jingtong New Material Technology Co., Ltd. é a base de produção e experimentação de nossas máquinas e fios.
Possuímos equipamentos avançados e de alta qualidade para produção, inspeção, teste e manutenção de máquinas de fiação, como máquinas-ferramenta CNC de última geração, máquina de balanceamento Shenk, equipamento de revestimento a plasma do Instituto de Tecnologia de Manufatura AVIC e calibração de temperatura para godê quente da Barmag. Com base em nossa vasta experiência e tecnologia de sistematização consolidada na produção de fios de filamento, desenvolvemos uma revolucionária máquina de teste de fiação multifuncional, com a qual é possível produzir facilmente fios de um componente, fios bicomponentes, fios multicomponentes, POY, FDY, fios de média resistência e fios de filamento. Além disso, contamos com um laboratório de fiação para confecção de amostras, onde os clientes também podem realizar testes de fiação por conta própria.
Graças à tecnologia avançada, aos equipamentos e à nossa localização privilegiada, estabelecemos com sucesso relações de cooperação com o Grupo Tongkun, o Grupo Xin Feng Ming, o Grupo Hengli e a Shenghong Corp., bem como com muitas outras empresas de fibras químicas renomadas na China, e nossa qualidade e serviço têm sido amplamente aprovados pelos clientes.
Jiaxing Shengbang Mechanical Equipment Co., Ltd.

Honra

  • Certificado de Patente
  • Certificado de Patente
  • Certificado de Patente
  • Certificado de Patente
  • Certificado de Patente
  • Certificado de Patente
  • Certificado de Patente
  • Certificado de Patente

Notícias